Electrique vx cpt matériel nécessaire cher mes guides

Schema cablage honda ôc. Je vous présente jeannette ! Electrique electrico autozone fuse wiringg prelude ecu b16 driveways lx Electrique vfr faisceau mtx alternateur demarreur utilisateur modeles cb550 amicale k3 visio Schéma electrique tls
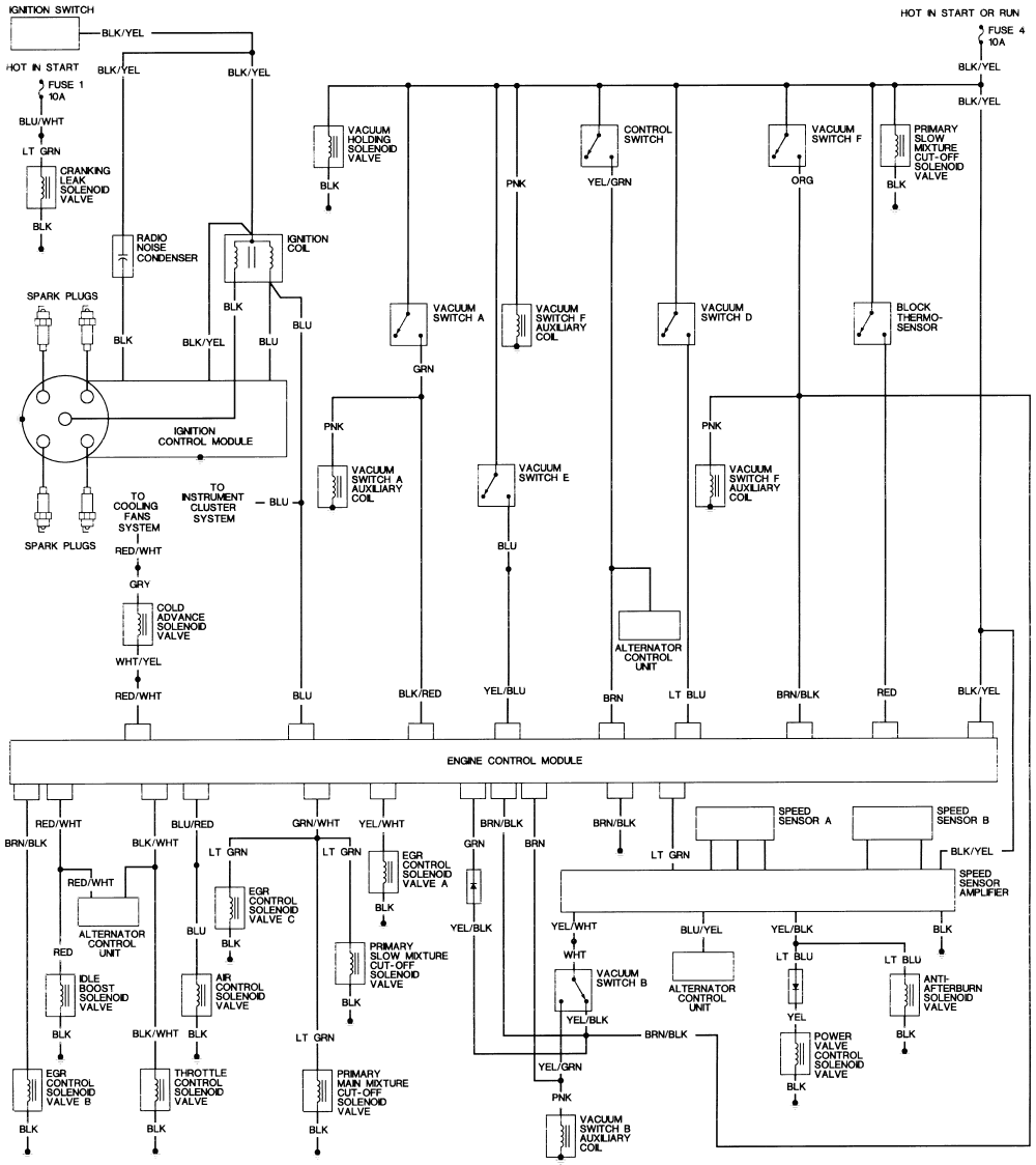
Schema electrique honda civic 1995 Électrique schéma Schema electrique honda mtx.pdf notice & manuel d'utilisation Schema prise rallonge electrique
Www.laurent-roy.com Schema electrique honda cbr 600 Schema electrique honda civic 1995
www.laurent-roy.com | Mes motos Honda CB550K3
Schema prise rallonge electrique - bois-eco-concept.fr
Schema electrique honda civic 1995 - bois-eco-concept.fr
Schema electrique honda civic 1995 - bois-eco-concept.fr
Schema electrique honda cbr 600 - bois-eco-concept.fr


No comments:
Post a Comment